AICS-0011
Protein
Tom20
Gene Symbol
TOMM20
Gene Name
translocase of outer mitochondrial membrane 20
Structure
mitochondria

Obtain AICS-0011

Obtain Donor Plasmid

AICS-0011

TOMM20 in WTC-mEGFP (mono-allelic tag)
Cell line media

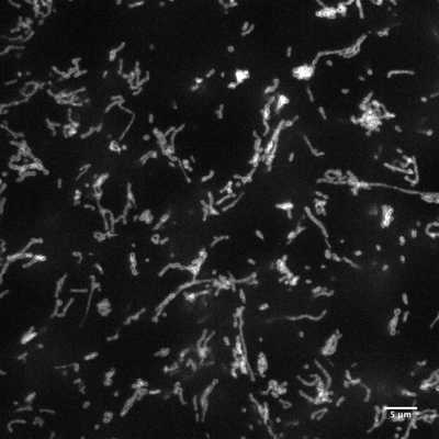
Single image of a live hiPSC colony expressing Tom20-mEGFP imaged on a spinning-disk confocal microscope. Image is a maximum intensity projection of 5 z-slices near the bottom of the cell.

thumbnail image
thumbnail image
Video thumbnail
Video thumbnail
NCBI Isoforms:NM_014765
crRNA Target Site:AATTGTAAGTGCTCAGAGCT
Linker: GGSGDPPVAT
Cas9:Wildtype spCas9
mEGFP Insert
mEGFP Insert
Top: TOMM20 locus; Bottom: Zoom in on mEGFP insertion site at TOMM20 C-terminal exon